넳
넲
昆山市大洋环境净化有限公司
咨询热线:
手机:
0512-36801888
网站首页
关于我们
ꄷ
公司简介
ꄷ
公司资质
产品中心
环境监测
危废公示
工程案例
联系我们
新闻中心
网站首页
ꄲ
环境监测
ꄲ
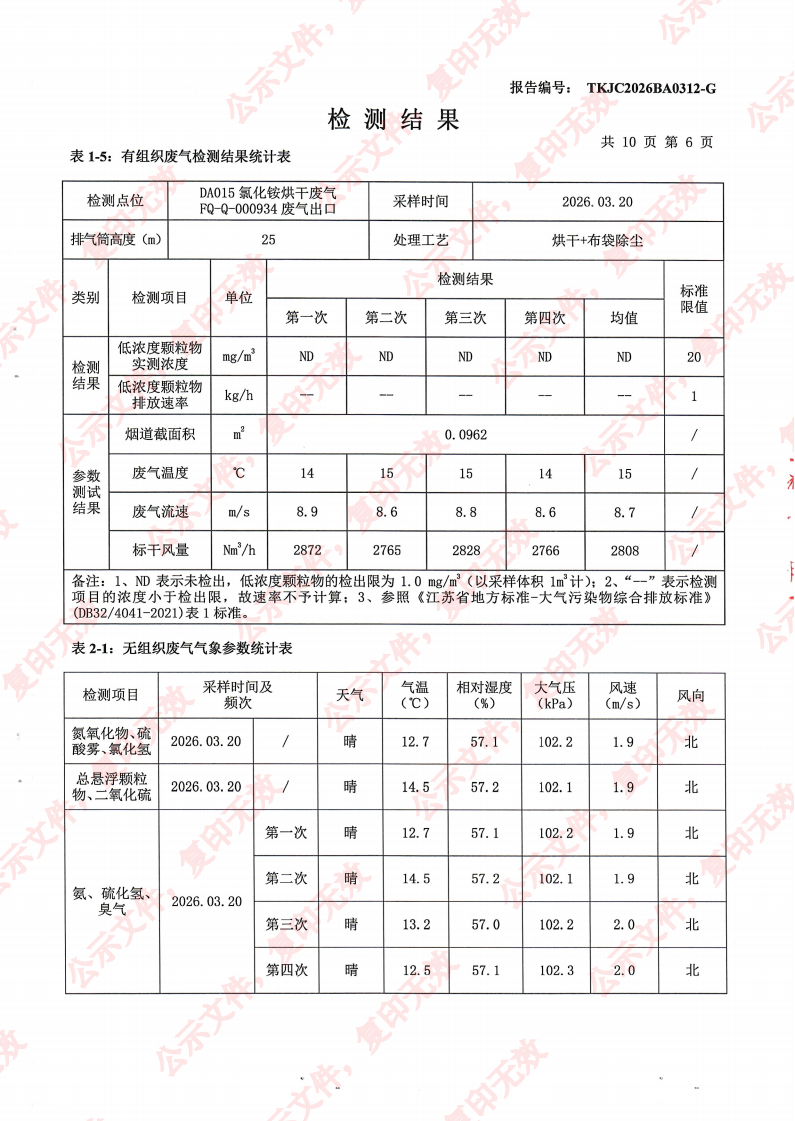
2026.3.20废气检测报告
2026.3.20废气检测报告
创建时间:
2026-04-27
10:14
넶
浏览量:
0
ꄴ
前一个:
无
ꄲ
后一个:
无
服务热线
0512-36801888
环境监测
危废公示
新闻中心
本网站由阿里云提供云计算及安全服务
本网站支持
IPv6
本网站由阿里云提供云计算及安全服务
本网站支持
IPv6
本网站由阿里云提供云计算及安全服务
本网站支持
IPv6
本网站由阿里云提供云计算及安全服务
本网站支持
IPv6